|
|
|
|
|
|
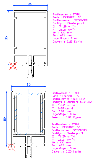
Pfostenprofile |
Mullions |
Profilé de meneau |
Stijlprofielen |
profily sloupku |
montante |
Die senkrechten Profile einer Fassade werden als Pfostenprofile bezeichnet. Sie können statisch verstärkt werden.

Der Einfügepunkt der SYSCAD-Blöcke ist links unten zu setzen.